9kHz振動音テストセットの主な特徴は
1、視覚上の気分も盛り上げるためイルミネーションLEDを使用し、色彩が変化する。
2、数十秒後に9kHzの振動音が聞こえる。(発振するまでの過程はオシロスコープを併用して観測できる。)
3、電源を切断しても、振動音が徐々に減衰する現象が確認できる。
4、オシロスコープでも観測できるように、出力端子を設置。
※ 水晶振動子は1本毎に発振と振動音を確認しています。
※ 振動音は大きな音量では無く、耳を近づけると蚊が鳴くような音量で聴く事ができます。
大きめの音で聞きたい場合は、出力端子にセラミック・イヤホンを接続する方法もあります。
発 振 回 路 に つ い て

実際に製作した全体の回路図 TRはNPN型トランジスタで、セットにより異なる場合があります。

水晶振動子の結線図
FASTモード 1番ピンと3番ピンをショートさせると発振までの時間が早くなります。
SLOWモード 3番ピンをオープンにするとかなり遅くなります。
水晶振動子のピン接続は、(1番ピンと3番ピン)と(5番ピンと7番ピン)の組み合わせです。
水晶振動子は入手困難なロシア(旧ソ連)製 9kHzで、1本毎に発振と振動音が確認できた物を採用しています。
基 本 部 品 セ ッ ト の 内 容
振動音が聞こえる水晶振動子 9kHz( 9000Hz ) 割れないように細心の注意を!!
主要部品はこれだけです! コンデンサは形状が変更になっている場合があります。
※青・黒端子は、他の色の組み合わせになる場合があります。
※電源ランプ用にブラケット入りLEDと2.2kΩを追加しています。 赤、緑、黄などの色になります。

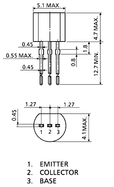
トランジスタの極性図 型名がある面を正面にして左から E C B になります。
リードが短いので拡げてラグ板に半田付けしてください。
平ラグ板の配置例

NPN-TRのリードが短いので、最初にコレクタを半田付けすると作業がしやすくなります。
黄線→水晶振動子へ 黒線→GND側へ
下側の平ラグ板左上がGND側 左下は水晶振動子に接続します。
この平ラグ板は製作サンプルなので、出力の100kΩは平ラグ板状ではなく出力端子側に接続しています。
電源ラインのブラケット入りLED LEDの短いリードがマイナス/GND
基本部品セットの部品リスト
9kHz水晶振動子( ガラス管なので、割れに細心の注意を!) 1本
7P MT管ソケット( LED組み込み用の穴加工済み ) 1個 穴径:16mm ネジ径:3.2mm
7P-MT管ソケット取付用ネジ 3mm一式
4P平ラグ( 取り付け用ボス・ネジ含む) 1組
3Pトグル・スイッチ 2個 穴径:6.0mm
NPNトランジスタ 2SCタイプ 1個
抵抗 3.9kΩ 270kΩ 330kΩ 各 1個
コンデンサ 0.01 μF( 103 ) 0.02μF( 203 または 223 ) 1μF( 1μF - 4.7μF内のどれか ) 47μF( 10μF - 47μF内のどれか )各 1個
イルミネーションLED 1個
※LED点灯用の抵抗 680Ω 1個
ケース タカチ SW-125S( ケース内に部品を入れてあります。) 1個
ゴム足 4個
オシロスコープ観測用端子 青 ・黒( 他の色になる場合があります ) 2組
※オシロスコープ出力端子に接続する100kΩを1本入れてあります。
赤色LED ブラケット内蔵型 1個 穴径:8mm
※赤色LED点灯用の抵抗 2.2kΩ 形状違い、色違いになる場合があります。
説明が書いてあるシール 3枚
※配線材料は含まれていません。 振動子の破損に注意してケースに取り付けてください。
※水晶振動子は1本毎に、発振と振動音が聞こえるかをチェックした物を使用しています。
加齢などで振動音が聞こえないという場合は、オシロスコープで発振するまでの様子を確認してください。
電源について 重要!!
電源は発振回路だけを動作させるなら消費電流は数mA程度と少ないので、006P/9V電池でもOKです。
イルミネーションLEDを使う場合は10mA程度の消費電流があるので、006P/9V電池だと短時間の動作になります。
単三電池を6本使用するか、9VのACアダプターを使用するのをお勧めします。
※ ACアダプターの注意!
ACアダプターを使用する場合、出力電圧の表記に注意してください。
スイッチング方式の物ならDC9Vと表記がある物。
トランス式( 少し重い )ならDC6V( またはDC7Vまでの物 )と表記がある物。 無負荷時に9V程度有る事を確認してください。
楽しむワンポイント カラフル化!
視覚上の気分も盛り上げるために、ソケットにイルミネーションLEDを仕込み光らせることにしました。
電圧を掛けるだけで簡単にイルミネーション化できるのは便利なLEDです。
7ピン・ソケットの中心ピンを取り去る改造 ※部品セットには加工済みソケットを入れてあります。
ソケットの中央ピンを取り外し、電動ドリルの回転数を落として4.2mmまで拡げ3ΦLEDを収納しました。
抵抗は、680Ω程度です。
電源は1番ピンがGNDにしているのでLEDのマイナス側( 短いピン )をあらかじめ半田付け。
LEDの直列抵抗を内部無接続のピン( 2,4,6の3つ )から配線しやすい4番ピンを利用して半田付け。
ここからDC9Vに接続します。
基本部品セットを実際に組み立てた画像
黄色ラベルには数十秒となっていますが、振動子の結線を変更してFASTモードでは電源投入後10秒ほどで最大出力になります。
完成した製作例 前面 ※ケースは水晶振動子を好みの位置に配置するように穴開け加工をお願いします。
水晶振動子の構造が良く見えるようにソケットの位置を予め決めておく。
簡単な動作説明をシールにして貼っています。
完成した製作例 後面
オシロスコープで波形観測ができる様に端子を追加してあります。
※右端の端子はデモ用のため、部品セットに含まれていません。

内部の配線例
製作後、振動音の確認に関して
発振状態の確認は振動音を耳で聞くことが出来ますが、加齢により高い周波数が聞こえない場合もあります。
※子供は20kHz近くまで聞くことが出来るらしいが、年を重ねるにつれて高い周波数は聞こえなくなります。 ※参考文献2
その場合は、低周波域まで使える周波数カウンター、オシロスコープを併用すると便利です。
デジタル・テスターも1MHz程度まで測定できる機種があります。
使用したオシロスコープは69 X 88 X 25mmと小型・軽量で周波数測定もでき、簡単な実験には最適です。
30MHzとありますが、1MHzくらいから波形が小さく表示されるのでオーディオ帯用と割り切って使います。
※オシロスコープ観測出力にセラミック・イヤホン( または本物のクリスタル・イヤホン )を接続しても振動音を聴くことができます。
●小型オシロスコープで出力波形をモニターした画像
※ あまり綺麗な正弦波ではありませんが、振動音が聞こえます。
※ 製造後、かなりの長期間保管していた振動子なので発振するまでの時間が長い物もあります。
※ 振動子のばらつきで音の大小があります。 音が大きい物の指定はできませんので、ご了承ください。
小型オシロスコープで9kHz 電源投入から発振、振動音が聞こえるまでの様子を観測
発振するまでの時間は振動子によってばらつきがあるので目安にしてください。
※発振モードを切り換える事で、発振までの時間が変わります。
SLOW 30秒前後から発振を開始
FAST 5秒前後から発振を開始
以下の画像はFASTモードの一例です。
電源投入直後から2秒ほど経過した出力波形 まだ変化は見られない。
スイッチをオンにすると、、、何も聞こえません。 LEDは点灯しているので通電はしています。
電源投入5 - 8秒ほど経過した出力波形 いよいよ発振を開始!
電源投入10秒ほど経過した出力波形 振幅が大きくなり、振動音が微かに聞こえ始める。
しばらく待っていると、少しずつ音が聞こえてきました。 屈曲振動が少しずつ大きくなっているようです。
電源投入12-15秒ほど経過した出力波形

最大出力になると振動音も大きく聞こえる。
ほぼ安定して聞こえるようになります。
音程は常に一定です。キーーーンという高くて細い、耳鳴りに似た音がしています。
※振動子から直接耳で聞く以外に、出力端子にセラミック・イヤホン(セラミック振動体を含む)を接続してもOKです。
但し、低インピーダンスのマグネチック・イヤホン系では負荷が重くなって発振を停止するので注意が必要です。
発振するまでをもう一度確認したい場合、電源を切ってから30秒ほど経過した後に電源を入れてください。
電源切断後、直ぐに電源を入れると振動子は減衰振動の途中なので現象がうまく観測できません。
SLOWモードで発振するまでの動画 ここをクリックしてください。
※この動画では振動子を保持している部分が鳴っているのも確認出来ます。 振動子の取り付け位置や向きで鳴ることがある様です。
最後に
耳鳴りのような高い音は9kHzの水晶振動子の音であり、一秒間に9,000回波が振れている振動を聴覚で感じているということです。
ここまできても改めて不思議です。
最新の部品や技術を追いかけるのも良いですが、忘れ去られようとする古い部品の使い方を考えるのも面白いと思います。
アマチュア無線を長く楽しんでいる人に見せても、外観が真空管の様な水晶振動子は初めて見たと言う人が多いです。
ましてや振動音を聴いた経験がある人は極めて少ないと思います。
ほとんどの人が振動音が聞こえるとは思っていない様でした。
水晶振動子の動作を知る理科学教材として利用するのはいかがでしょう。
引 用 お よ び 参 考 文 献 な ど
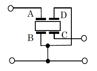
参考! 内部電極の接続について
写真3 100kHz水晶振動子の中身 振動子の両面が2分割されています。
私たちがよく使用する水晶振動子はほとんどが2端子ですが、今回使用した物は内部で接続されて3端子構造になっています。
振動体の構造から音叉型水晶振動子とも呼ばれています。
図2: 内部接続
日本大学理工学部 作田先生の文献では端子ACと端子BDを一緒にし2端子とすることにより,通常の水晶振動子の等価回路となると記載されています。
この方法で試すと発振はするが振動音が聞こえない物もいくつかあり、2端子にする組み合わせをA+B+DとCに変更して振動音が聞こえる
様になった物もありました。 振動音が聞こえない場合は、組み合わせを変えて試してください。
この回路と水晶振動子との相性かも分かりませんが、電源投入後すぐに発振を開始せず10-20秒程度かかります。
しかし、なかなか発振しないのは回路に問題があると一言で片付けるのは早計です。
通常は電源投入と同時に出力が得られると思いますが、この遅延時間が思わぬ副産物を与えてくれました。
電源投入から徐々に発振するまでの様子を観測した経験がある人は少ないのではないでしょうか。
そ の 他 の 振 動 音 が 聞 こ え る 水 晶 振 動 子 ※販売品ではありません。
ロシア製 4000Hz 控えめな音がします。
電源電圧: DC5V 50mA
左:8192Hzをバイナリ14段/8192分周して1Hz( 1PPS )を出力
右:1PPSモニター 1秒ごとにLEDが反時計回りに1つ進みます。
電源を用意することなく、1PPS出力とケーブルを接続するだけで動作します。
※現在、4096Hz振動子も入手 バイナリ13段/4096分周して1Hz化ができます。
4096,8192Hzは入手まで数年かかって探した希少な振動子です。
英国 GEC製 10Kc/s 力強い音がします。
電源電圧:DC5V 50mA
超 希 少 品 Marconi 10kc 水晶発振器
表紙に戻る